ТМ 3

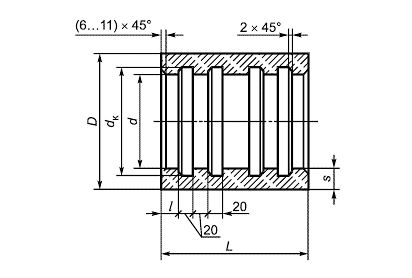
Чертеж изделия:
Характеристики изделия:
ПараметрЗначение
длина240 мм
ширина501 мм
высота501 мм
масса21,6 кг
нормативный документГОСТ 31416-2009

ТМ 3   Муфты хризотилцементные для напорных теплопроводов ГОСТ 31416-2009.