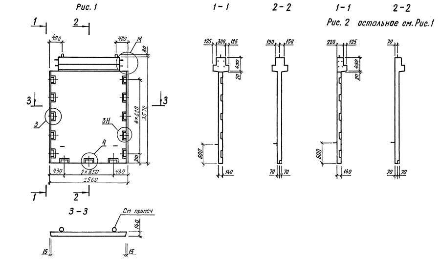
1Д 26.36

Чертеж изделия:
Характеристики изделия:
ПараметрЗначение
длина2560 мм
ширина345 мм
высота3570 мм
масса3780 кг
нормативный документСерия 1.020.1-3пв

1Д 26.36  Диафрагмы жесткости с одной полкой Серия 1.020.1-3пв.