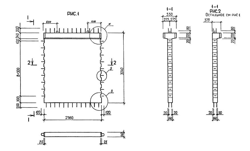
2Д 26.30

Чертеж изделия:
Характеристики изделия:
ПараметрЗначение
длина2800 мм
ширина550 мм
высота3440 мм
масса3380 кг
нормативный документСерия 1.020.1-3пв

2Д 26.30  Диафрагмы жесткости с двумя полками Серия 1.020.1-3пв.