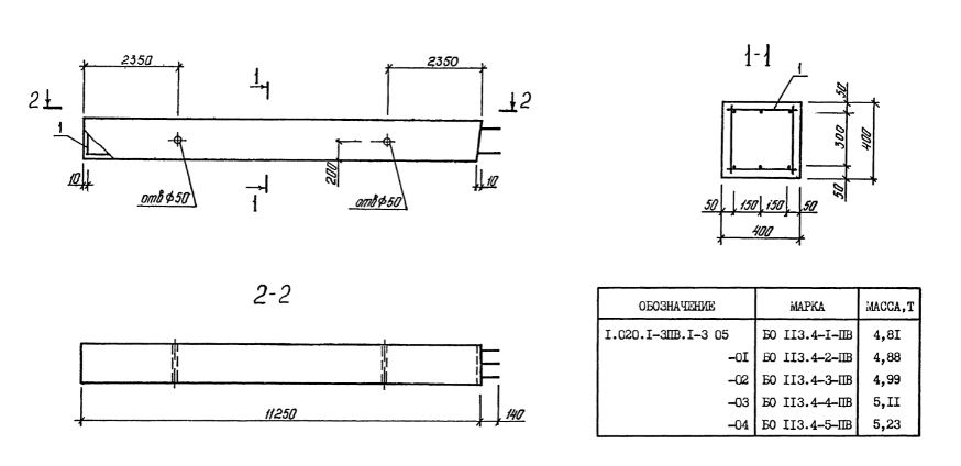
БО 113.4

Чертеж изделия:
Характеристики изделия:
ПараметрЗначение
длина11390 мм
ширина400 мм
высота400 мм
масса5230 кг
нормативный документСерия 1.020.1-3пв

БО 113.4  Балки обвязочные Серия 1.020.1-3пв.