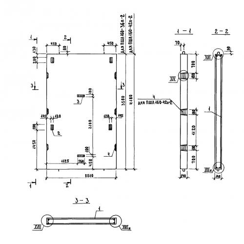
ПШЛ 160-42 панель шахты лифта основная

Чертеж изделия:
Характеристики изделия:
ПараметрЗначение
длина2510 мм
ширина140 мм
высота4180 мм
масса3670 кг
нормативный документСерия 1.089.1-1

ПШЛ 160-42 Панели шахт лифтов Серия 1.089.1-1.