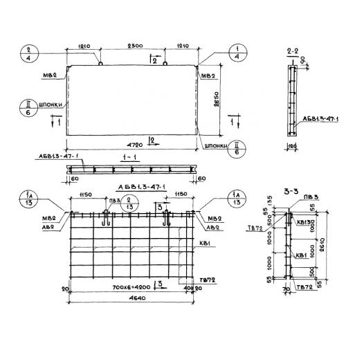
В1.3-47.27.12-1

Чертеж изделия:
Характеристики изделия:
ПараметрЗначение
длина4720 мм
ширина120 мм
высота2650 мм
масса3720 кг
нормативный документСерия 1.131-1

В1.3-47.27.12-1    Внутренние стеновые панели   (Серия 1.131-1).