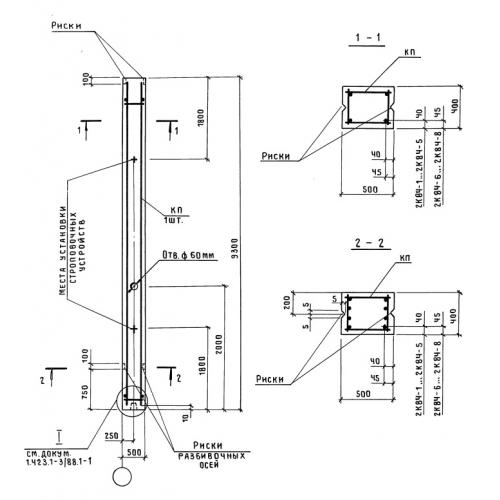
2К 84 колонны

Чертеж изделия:
Характеристики изделия:
ПараметрЗначение
длина9300 мм
ширина400 мм
высота500 мм
масса4700 кг
нормативный документСерия 1.423.1-3/88

2К 84 Колонны Серия 1.423.1-3/88.