П 7

Чертеж изделия:
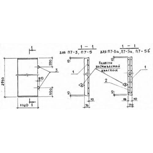
Характеристики изделия:
ПараметрЗначение
длина2990 мм
ширина1160 мм
высота70 мм
вес610 кг
серия3.006-2

П 7 Плиты перекрытия лотков по серии 3.006-2.