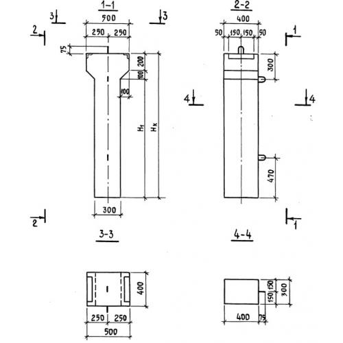
К 36

Чертеж изделия:
Характеристики изделия:
ПараметрЗначение
длина2910 мм
ширина500 мм
высота400 мм
масса930 кг
нормативный документСерия 3.006.1-3/83

К 36 Колонны тоннелей Серия 3.006.1-3/83.