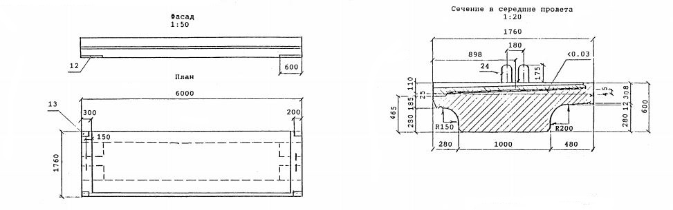
БС 1.60
Характеристики изделия:
| Параметр | Значение |
|---|---|
| длина | 6000 мм |
| ширина | 1760 мм |
| высота | 600 мм |
| вес | 11200 кг |
| серия | 3.501.1-175.93 |
Цена:
Рассчитать стоимостьБС 1.60 Балки плитные с ненанрягаемой арматурой для станционных пролетных строений по серии 3.501.1-175.93.