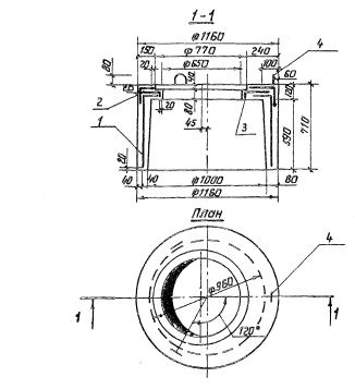
КСК 10-1

Чертеж изделия:
Характеристики изделия:
ПараметрЗначение
длина1160 мм
ширина1160 мм
высота710 мм
вес625 кг
серия3.820-9

КСК 10-1 Кольца колодцев стеновые с крышкой по серии 3.820-9.