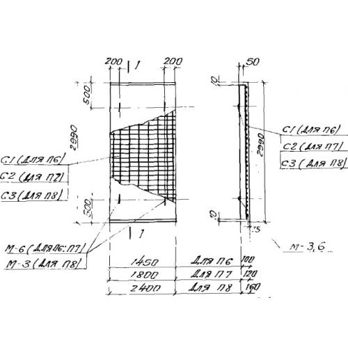
П 7 плиты перекрытия

Чертеж изделия:
Характеристики изделия:
ПараметрЗначение
длина2990 мм
ширина1800 мм
высота120 мм
масса1630 кг
нормативный документСерия ИС 01-04

П 7 Плиты перекрытия  по Серии ИС 01-04.