ВНП 11-41-3.5 наружные стеновые панели

Чертеж изделия:
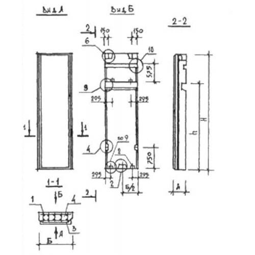
Характеристики изделия:
ПараметрЗначение
длина4075 мм
ширина1090 мм
высота350 мм
масса1724 кг
нормативный документСерия КУБ 2.5

ВНП 11-41-3.5  Вертикальные наружные стеновые панели Серия КУБ 2.5.