ПС 4

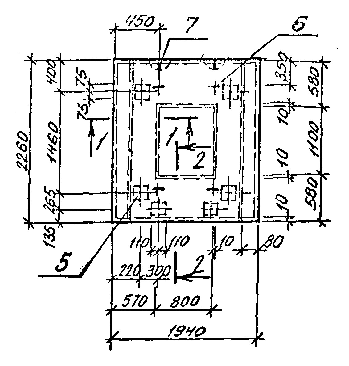
Чертеж изделия:
Характеристики изделия:
ПараметрЗначение
Длина L1940 мм
Ширина В2260 мм
Высота Н180 мм
Вес1650 кг
СерияВТИ-КЖ-01-83
Норма погрузки на машину (20тн)12 шт
Вагонная норма погрузки-

Панель стеновая ПС 4 является составной частью теплофикационной камеры. Стеновые панели изготавливаются в соответствии с рабочими чертежами серии ВТИ-КЖ-01-83.