СБН 9.25.2.5

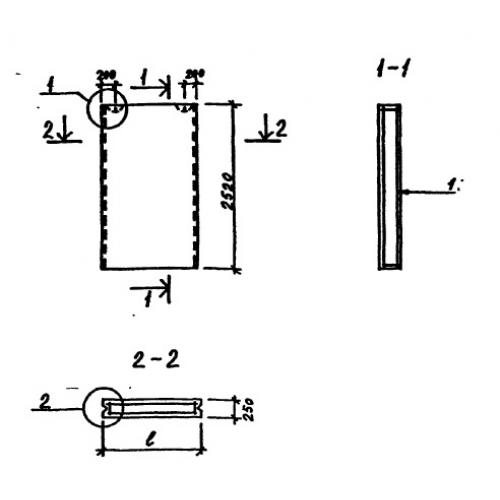
Чертеж изделия:
Характеристики изделия:
ПараметрЗначение
длина880 мм
ширина250 мм
высота2520 кг
вес440 кг
серияТП 213-2-183

СБН 9.25.2.5 Стеновые блоки наружные по проекту ТП 213-2-183.